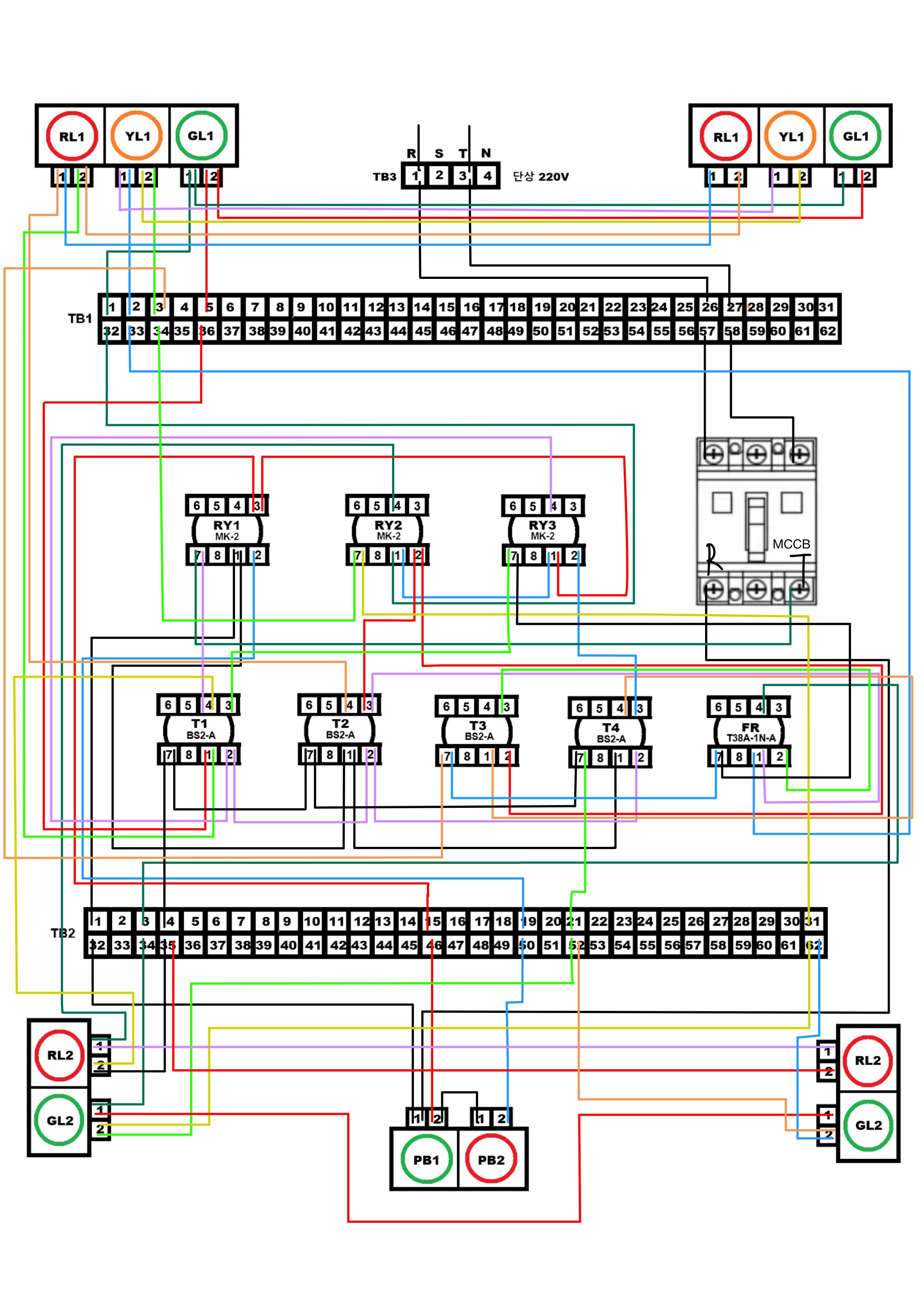
List 아래로 위로 Write Search 시퀀스회로 결선 관련 질문드립니다. hjs1011 2025.10.25. 10:41 382 0 Attachment 2 Attachment 2 IMG_0562.jpeg (File Size: 328.6KB/Download: 0) IMG_0561.jpeg (File Size: 955.7KB/Download: 0) 사진과 같이 도면을 보고 결선작업을 하였는데 오류가 있는지 궁금해 질문드립니다. 0 0 Report공유 Scrap 공유 퍼머링크 Comment 0 You do not have permission to access. Sign In Report "님의 댓글" 이 댓글을 신고 하시겠습니까? CancelConfirm Delete "님의 댓글" cmd_comment_do Are you sure you want to delete? CancelConfirm